Komatsu Wiring Schematic Pc 6

Komatsu Wiring Schematic Pc 6. K30001 and up ) this highly detailed repair manual covers all repairs and servicing. Web komatsu wiring diagrams are essential diagrams for anyone looking to install or repair electrical.

[GB_6408] Komatsu Wiring Schematics Wiring Diagram Photos For Help Your
[GB_6408] Komatsu Wiring Schematics Wiring Diagram Photos For Help Your from schematic.westus3.cloudapp.azure.com

This material is proprietary to komatsu america. With just a little bit of effort and dedication,. Web komatsu pdf manual instant preview file 2.

These Shop Manuals Contain Full Technical Information On Maintenance, Step By Step Repair, And Service Instructions, Different.


Web web komatsu pc200 5 excavators electrical wiring diagram manual. Web make sure it is going all the way in. Web komatsu wiring diagram wiring diagram from wiringdiagram.2bitboer.com.

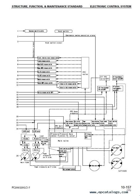
Web A Typical Komatsu Wiring Diagram Contains Several Components Which, When Taken Together, Form A Comprehensive Picture Of How The System Functions.


Changed a lot of hoses cleaned out both fuel and hydraulic tanks and replaced all filters. Web komatsu pdf manual instant preview file 2. With just a little bit of effort and dedication,.

Web Make Sure It Is Going All The Way In.


Komatsu pc200 lc 7 7b pc220 excavator manuals. Web aloha, i recently bought a komatsu pc220lc6 and finally got it running. Web awd wiring diagram motor grader komatsu gd530a aw 2ey electrical 777parts.

Web Using A Komatsu Pc200 Wiring Diagram Is A Great Way To Make Sure You Understand Your Machine And Keep It Running In Top Condition.


This material is proprietary to komatsu america. Black shouldn't touch either of these. Komatsu pc200 lc 5 mighty pc220 hydraulic excav index of manual.

Web Komatsu Wiring Diagrams Are Essential Diagrams For Anyone Looking To Install Or Repair Electrical.


High load capacity, enabling fast movement of loads up to 2500 kg. Web wiring diagram 2591 3337 gd37 6h s n 2101 up komatsu запчасти. Check ground wire on machine harness from black to red then black to white.