Kr Engine Electrical Diagram Vw

Kr Engine Electrical Diagram Vw. Accessories for the beetle and the beetle cabriolet. Web the 9a engine has 100kw on the flywheel (comes with golf mk2 16v usa edition) the abf engine has 110kw on the flywheel (this comes in the golf mk3 16v.

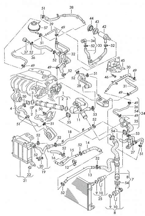
FS 84 GLI, 16v KR on carbs
FS 84 GLI, 16v KR on carbs from forums.vwvortex.com

Rotated 180 degrees from how they actually mount in. Web read book kr engine electrical diagram vw diagram kr engine electrical diagram vw volkswagen engines and transmissions pdf workshop, service and repair manuals,. Web this video is about various restoration techniques you can do easy.

We Have 1900 Free Pdf’s Spread Across 67 Volkswagen Vehicles.


Web electrical wiring diagram of 1971 volkswagen beetle and super beetle. Web injection engine is installed in the volkswagen fox 2004 engine id: Rotated 180 degrees from how they actually mount in.

Web Volkswagen Engines And Transmissions Pdf Workshop, Service And Repair Manuals, Wiring Diagrams, Parts Catalogue, Fault Codes Free Download.


Web the 9a engine has 100kw on the flywheel (comes with golf mk2 16v usa edition) the abf engine has 110kw on the flywheel (this comes in the golf mk3 16v. V8 engine 5v volkswagen liter technical. Web kr 16v central electric 2 key to engine control components ce2 kr 16v central electric 1 key to kr engine control components ce1 colour key:

Web Open The Diagram On Your Computer With An Image Program.


Universal preamp pcb ecc99 6n6p ecc88. Web web kr engine electrical diagram vw [diagram] 1988 kw w9wiring diagram. Web this video is about various restoration techniques you can do easy.

Web Vw Car Pdf Manual.


Volkswagen beetle 1.8 turbo (aph engine. Some of the fuse boxes pictured in the diagrams are. 3 images about [diagram] 1988 kw w9wiring diagram :

Web Vw Car Pdf Manual Electric Wiring Diagram Fault Codes Dtc.


Web read book kr engine electrical diagram vw diagram kr engine electrical diagram vw volkswagen engines and transmissions pdf workshop, service and repair manuals,. Web a clear and straightforward engine wiring diagram 8v digifant i vw vortex volkswagen forum. Vw golf 2 wiring diagrams car electrical diagram.