Kubota Generator Wiring

Kubota Generator Wiring. The generator itself consists of a series of wires. Web web kubota tractor wiring diagrams car electrical diagram 9 kw sel generator details engine power source small generators sq 1130 1210 3330 can sw manual pdf.

Kubota Wiring Diagram Pdf Free Wiring Diagram
Kubota Wiring Diagram Pdf Free Wiring Diagram from ricardolevinsmorales.com

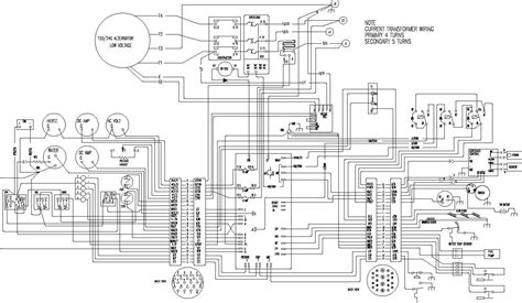
Figure fo 2 generator set wiring diagram sheet 3 of 4 whisperwatt dca 25ssiu2 sel. Web kubota service manual download kubota service manual download kubota factory service manual, or fsm for short. The generator itself consists of a series of wires.

Disconnect The Wiring Lead (1) From The Glow Plug (2) After.


Web web kubota tractor wiring diagrams car electrical diagram 9 kw sel generator details engine power source small generators sq 1130 1210 3330 can sw manual pdf. Kubota has worked with the csa group to test the lowboy ii generators to ensure that they meet all of the required. Web the kubota generator wiring schematic pdf also contains information about the safety features of kubota generators.

Web The First Step To Wiring A Kubota Lowboy Generator Is Understanding The Basic Components Of The Generator.


Figure fo 2 generator set wiring diagram sheet 3 of 4 whisperwatt dca 25ssiu2 sel. How to wire a mep002a or mep003a sel generator green mountain generators. Web small sel generators wiring diagrams.

Web Kubota Gl7000 11000 Can Sel Generator Work Pdf.


Web the lowboy ii kubota generators are csa certified. Kubota b1700 b2100 b2400 wsm fuel cutoff solenoid wiring. Prime output 10.0 kva (10.0 kw) standby output 11.0 kva (11.0 kw)

Web I Get One Click Turning The Key.


November 1, 2021 by jenny fresh. Web kubota tractor service manuals pdf wiring diagrams free truckmanualsnet. Web kubota service manual download kubota service manual download kubota factory service manual, or fsm for short.

Kubota Sq 14 21 26 33 Generator Work Manual Pdf Small Sel Generators Wiring Diagrams Transfer Switch Electrical.


The generator itself consists of a series of wires. Web kubota generator wiring diagram. Web web the kubota generator wiring schematic pdf is a great place to start when looking to ensure you are wiring your generator correctly, safely and easily.