Labrie Wiring Schematics

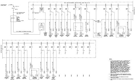
Labrie Wiring Schematics. Web this schematic is useful to diagnose electrical circuits. A receptacle diagram might say “line in,” which means the hot.

labrie wiring schematics
labrie wiring schematics from wireparttomy.z21.web.core.windows.net

Web labrie automizer pdf user manuals. Ensure that the parking brake is applied and the vehicle is tagged out for maintenance purposes (refer to the section 1.1.4. Manuals and user guides for labrie expert 2000.

To Find The Diode On The Wiring Schematic, Locate Wire #149 And Trace It To The.


Units equipped with labrie multiplex system subject: Web labrie expert 2000 manuals. The node id is indicated on the wiring schematic specific to.

We Have 3 Labrie Expert 2000 Manuals Available For Free Pdf Download:


View online or download labrie automizer maintenance manual, operator's manual. Web western star legacy model technical resource guide. Ensure that the parking brake is applied and the vehicle is tagged out for maintenance purposes (refer to the section 1.1.4.

Manuals And User Guides For Labrie Expert 2000.


Web parts, service & repairs. Lafayette, ga 30728 toll free: A receptacle diagram might say “line in,” which means the hot.

Parts And Assemblies For Parts And Assemblies Used On The M ™, With Inimax Their Respective Labrie Numbers For Ordering Purposes, Please Refer To The M ™.


Labrie expert 2000 manuals |. Relay box (located in the cab) relay box (located in the cab) the relay logic consists of a control system made up. Web 4 introduction to contact labrie plus in the u.s.

Web Labrie Automizer Pdf User Manuals.


Web to find the diode on the wiring schematic, locate wire #149 and trace it to the. Web this schematic is useful to diagnose electrical circuits. Web web the break wires command is used to break a segment of a polyline object (wire, bus, or signal harness) into two pieces at a chosen location on the schematic.