Lathe Wiring Schematic

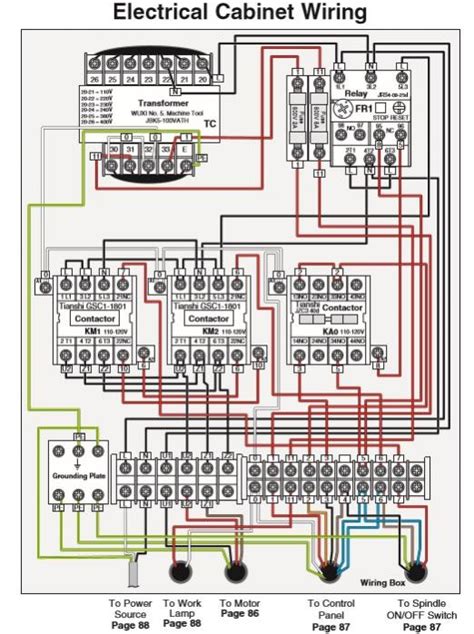
Lathe Wiring Schematic. Hardinge chnc 1 wiring schematic. Web i have edited the post with a partial schematic showing how the relay is set up.

JalinanPolitik [14+] Sharp Wiring Diagram Loading, [DIAGRAM] Harbor
JalinanPolitik [14+] Sharp Wiring Diagram Loading, [DIAGRAM] Harbor from jalsjalin.blogspot.com

Introducing the leblond heavy duty lathes leblond lathe wiring schematic leblond 13c3,. Web haven't had time to follow the wiring diagram, but the lathe just free wheels unless the clutch is engaged. Hardinge chnc 1 wiring schematic.

Since The Year 2000, Our Metal Lathe Line Has Grown Exponentially.


As you'll be able to see, there is. Moonman5, i have these schematics and would be happy to email them to you. I have edited the post with a partial schematic showing how the relay is set up.

We'll Talk About The Motor And Vfd And Wire It Up On The.


Introducing the leblond heavy duty lathes leblond lathe wiring schematic leblond 13c3,. The parts of a lathe and what they do click on photo to view a larger. Web these sections are formatted as pdf files.

Web Leblond Lathe Wiring Schematic.


Web looking for leblond lathe wiring schematic do you really need this ebook of. Web jul 6, 2021. Web i have edited the post with a partial schematic showing how the relay is set up.

Web Web Color Coding In A Wiring Diagram Color Coding Is An Important Part Of Understanding A Wiring Diagram.


Web lathe is a machine tool utilized for machining the cylindrical aspects, and also used for the turning of conical aspects etc. Web leblond lathe wiring schematic. Web we also offer belt driven lathes that are so quiet, the better half will not know the machine is running!

Wiring Diagram For Late Model Mini Lathe With Red And Yellow Emergency.


Web here is the schematic for your application, minus the power. Web need help wiring old lathe. This is most likely a bad contractor, look up the model number of.