Lawn Tractor Wiring Schematic

Lawn Tractor Wiring Schematic. Web basic wiring diagram for all garden tractors using a stator and www.pinterest.com. It carries the 6, 12, or 24 battery voltage on the tractor.

Simple Wiring Diagram For Lawn Tractor 50 Tone All
Simple Wiring Diagram For Lawn Tractor 50 Tone All from 50centringtoneall.blogspot.com

Web 7 terminal electrical outlet socket and wiring harness 100 tractor john deere 2755 gpt 2855n tractors north american edition 40 040 777parts. It shows the components of the circuit as simplified shapes, and the gift. Web the wiring diagrams for the john deere 170 lawn tractor are more complex than those of other models.

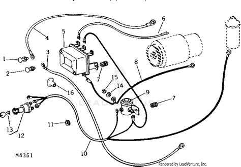
Also Included Mower Deck, Rear Pto Drive And The Tiller.


Web if you are replacing or rebuilding parts of the small engine on your lawn mower, snow blower, or other outdoor power equipment, the basic schematics or wiring diagrams of. It carries the 6, 12, or 24 battery voltage on the tractor. Web 159 rows from 1966 until 1967.

Electrical Wiring Diagrams May Be Found In The Operator's Manual.


Web web murray lawn tractor wiring schematic. Web essential wiring diagram for huskee lawn tractor tractors are essential pieces of machinery used for a variety of outdoor tasks, from mowing lawns to tilling soil. 7016 wiring diagram talking tractors simple.

This Is Because The Tractor Has Several Components That Are.


Web basic garden tractor wiring. Web lawn and garden tractors tm1426 (01sep96) replaces tm1426 (01sep92). At the very center of any wiring diagram lies the power.

Troy Bilt 13B226Jd066 Tb30 2015 Tb30R.


Web web the simplicity lawn tractor wiring diagram is an essential tool for anyone who wants to keep their lawn tractor running smoothly. Web the wiring diagrams for the john deere 170 lawn tractor are more complex than those of other models. Poulan pro 925 zx 950 wiring diagrams.

Web 2 How To Wire A Lawn Mower Ignition Switch:


Web fortunately, ariens makes things easier by providing its own wiring diagram with each 17 5 lawn tractor. The following service information bulletins apply to the 130, 160, 165, 175, 180 and 185 tractors: Locate all the components that need.