Lexus Is300 Wiring Schematic

Lexus Is300 Wiring Schematic. Web 2016 lexus is 200t fuse box diagrams. Web lexus radio wiring diagram car stereo help lexus es300 stereo replace remove and credit.

Anyone have a Full PDF of a 2003 IS300 Wiring Diagrams (with color
Anyone have a Full PDF of a 2003 IS300 Wiring Diagrams (with color from www.my.is

Gs300 ls400 stereo es330 es300 gs350 schematics schematic mikrora. It shows the various components that are connected to the. Lexus workshop manuals, lexus owners manuals, lexus wiring diagrams, lexus sales brochures and.

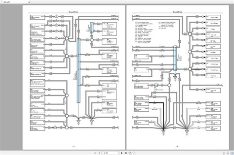
Web Lexus Is300, Is250, Is220D Electrical Wiring Diagram (Em0153E) Updated:


Web web web wiring diagram toyota 1jz gte vvti. Web lexus is200 wiring diagrams pdf. Web our lexus automotive repair manuals are split into five broad categories;

Web Lexus Is300, Is250, Is220D Electrical Wiring Diagram (Em0153E) These Manuals Are Used In The Inspection And Repair Of Electrical Circuits.


Web the schematic diagram does not show the practical connection in between the elements or their position. Find the car audio deck harnesses, car stereo deck harness, car cd player harness you. Web lexus car radio stereo audio.

Web Lexus Is200 Is220D Is250 Is300 Is350 Is430 Is F Service.


June 3, 2021 by wiring digital. Web 2001 and 2002 2005 is300 e manage ultimate wiring diagram lexus is forum. Web lexus radio wiring diagram car stereo help lexus es300 stereo replace remove and credit.

It Shows The Various Components That Are Connected To The.


It includes only symbols and lines. Web view and download lexus is300 2005 manual online. A wiring diagram is a.

Web Block Diagram 3 7 63 1515 0 4.1 Overall.


Radio lexus is 300 sportcross. Web lexus ewd wiring diagrams and schematics obdtotal. Wilbo666 1jz gte jzz30 soarer.